S҇ĸߌӽ֘ǡꡢe^{ʹҲӣSBLC̎_h24hBm\DBLĴСHͨ^LM{L늙CĿͨϰٵװǧʹ{Lϵy^BĽIÿҪM~Ŀ{MڬFеĻAόLϵyMйܸʹϵyܸҪMLLЧsԴpM
1{Lϵyܝ
ij;ƵƵͷסļ׃ÿղͬĕrg{ϵyLҪҲͬ˴ڹܸĿԺͿɏׂ}
1.1
{ϵyĹԭ
D1ʾijƵ{ʾD՚ĻLںLM{ϵyڣ̎O{LTԿMLĴС^VĿ՚^mǰ՚ͨ^LCȥӝӝĿ՚ȥsӜأSˮ壬ȻM՚ٵLM{ҡ
D 1ʽ{ϵyʾ
Lһ_LCͬrLҕҪԓǿ{ֻܲLɹʡܣLr՚
1.2LCDL֮ܺgPϵ
LCSݔ빦PcLݔQ͓PH֮gPϵ[2]
P = kQH1
ʽ k 鳣ʽ1f늙CݔʺӵLCL QP H ȣLCDn ׃rLCݔL Ql׃֮gPϵ
Q2/Q1=n2/n1 2
LCDٺͳLȡLCݔ P Dn Pϵ
P2/ P1=n2/n13 3
ʽ123ҊpLͨ^LCDٌFLCDٌؽܺģЧ@
2Lϵy
{ܸϵyҪ]LC\пƷʽʹÿ_LC\ЕrgM⡣⣬ЧOӋrܿ]NrһĿɔ_׃
2.1LCĿƷ

D 2LCгʾ
ҪpLĕrЧķǸ׃LCD١LCDٿͨ^׃늙CDٌFཻ늄әCʹ׃lЧظ׃늙CDö_LCMɵLϵy@ 3_MD 2 ʾķ팍ʩL{3_늙CĿʑڵLݔ빦3_늙CУֻ3_ʩ׃l{٣ 12_Թlʽ\D@ӼȿԜp׃lɱܺܺõL{ĿLϵy^£СؓҪC1_늙Clʽ\DԱCСLҪLӕrɰ·ʽ׃\РB1̖C\L3̖CͶ밴׃lʽ\УD_LҪLȻ2̖CͶ\У3̖C׃lʽ\D׃3̖CD_ҪLҪLpٵ^O3_LCͬr\DȽ3̖CĹlʵֵLȻ^г12̖CȽ1_3̖C׃lʽ\DLȻ^3̖CD٣ֱг3̖C
2.2]hLC׃lϵyĘ
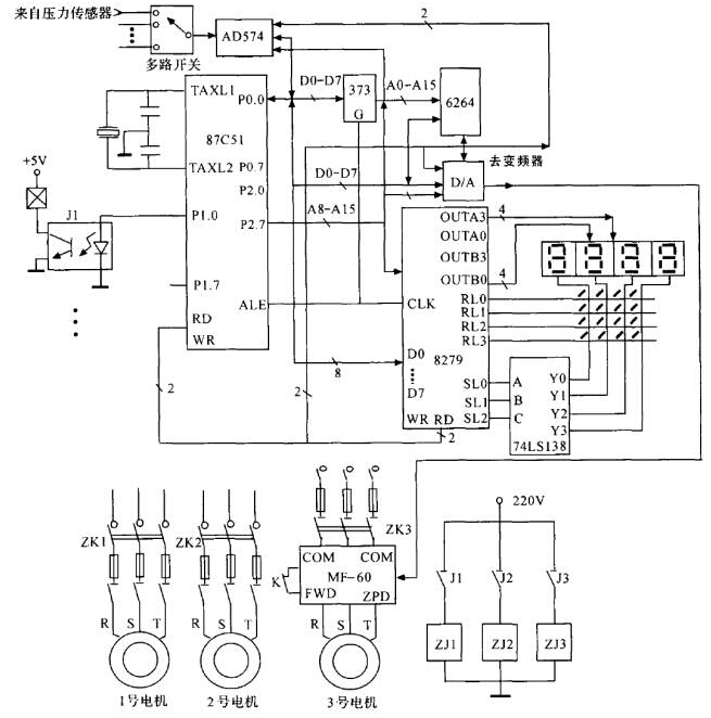
Ҫ]hϵyҪڳLڰLԱCLк㶨LyõLrfL^˕rLyõL͕rf˕rLҪӴLzyL̖ͽoֵMб^Դ_L{]hLC׃lϵyĿDD3ʾݔBm{ģM̖{׃lĹl֮⣬߀Ҫݔ_PԴ_123̖늙CĽcг

D 3LC׃lƽYʾ
2.3OӋ
ҪFLĿʹLֻ㶨@ÆƬC·D4ʾÔa@ʾLĽoIPݔҲλA/ DDQݔڹϣ܌FBmƣҲ܌FּBmwͨ^ƌF

D 4늙C·
3YՓ
{Lϵy׃l]hƺ\зЧ@mȻԭеϵy׃lֻ_LC׃lƣҪ׃lһHڎʮǧߣÆƬC·DzҪԭϵyٸ׃{ϵyͶ벢ϵyĽЧ@
һƪ
{ϵyĹ܃c
һƪ
{ܳɞ鹫c췽